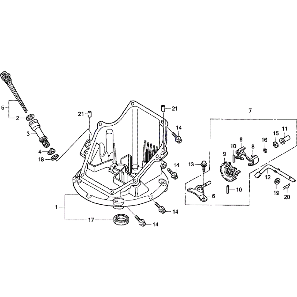
Sơ đồ Bộ cắt hàng rào cho Bosch
Bosch cung cấp sơ đồ chi tiết giúp người dùng dễ dàng nhận biết vị trí và mã phụ tùng chính xác cho từng bộ phận của máy. Mỗi chi tiết đều được hiển thị trực quan, hỗ trợ việc tra cứu và đặt hàng nhanh chóng.
Ưu điểm của sơ đồ
- Minh họa rõ ràng từng cụm chi tiết – giúp việc lắp ráp và bảo trì thuận tiện hơn.
- Phụ tùng chính hãng đảm bảo độ khớp và hiệu năng tối ưu.
- Tích hợp sẵn danh sách mã linh kiện để đặt hàng trực tiếp trên website.
Hướng dẫn sử dụng
Chọn từng chi tiết trong sơ đồ để xem tên linh kiện, mã hàng (SKU), và giá bán tương ứng. Nếu không chắc về mã phụ tùng, hãy liên hệ bộ phận kỹ thuật của Máy Số 1 Việt Nam để được hỗ trợ miễn phí.
Toàn bộ dữ liệu được biên soạn dựa trên sơ đồ chính hãng Bosch, đảm bảo độ chính xác cao và tương thích hoàn toàn với thiết bị gốc.
Công Ty Cổ Phần Thiết Bị Thương Mại Phú Gia
Hotline: 0915.133.327
Email: ketoancongtythietbiphugia@gmail.com
Địa chỉ: 83 Ao Đôi, Phường Bình Trị Đông, TP. Hồ Chí Minh
Website: mayso1vietnam.com













